发烧论坛

注册

 

返回列表 «23456789 / 9
发新话题 回复该主题

简单易做的SHURE-M65唱放與老爺LP12 [复制链接]

查看: 25104|回复: 85
81#

回复:简单易做的SHURE-M65唱放與老爺LP12

原始资料可在这里看:http://www.kandkaudio.com/mccartsetup.html
TOP
82#

回复:简单易做的SHURE-M65唱放與老爺LP12

准備好,要焊接了!希望成功
照片 122.jpg (, 下载次数:40)

jpg(2007/8/10 17:06:03 上传)

照片 122.jpg

最后编辑cpyip 最后编辑于 2007-08-10 17:06:03
TOP
83#

回复:简单易做的SHURE-M65唱放與老爺LP12

现在UTC的牛被炒得价格老高:'(
TOP
84#

回复: 简单易做的SHURE-M65唱放與老爺LP12

好!学习了。
TOP
85#

回复:简单易做的SHURE-M65唱放與老爺LP12

MM与MC之分别
MM头匹配上都是按47K来考虑的,所以RIAA放大都要设定47K作为它的输入电阻。但MM头另外需要小电容来作高频补偿,不同MM头不同的要求,大约都是100PF至470PF。
MC头麻烦些,没有规定标准阻抗,当然出厂时每个头都有它的阻抗值的,要使用者按不同的头自行匹配。如果你原来玩MM头,不要忘记把补偿MM头的电容去掉。
如果我们的RIAA是自己DIY的,上述的X值电阻,可直接换掉47K电阻。不过还是不少人保留47K,并上一只RX电阻。并上的电阻还要进行微调,听說不同材料也不同声音。
不对之处大家指正。
TOP
86#

回复: 简单易做的SHURE-M65唱放與老爺LP12

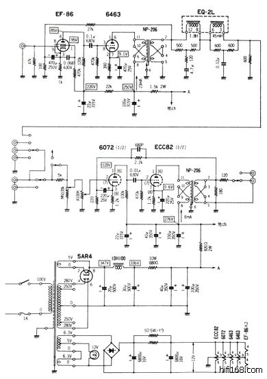
此线路有人玩过吗?
LCR_RIAA.jpg (, 下载次数:47)

jpg(2007/9/16 9:21:15 上传)

LCR_RIAA.jpg

TOP
发新话题 回复该主题