发烧论坛

注册

 

返回列表 12345678» / 9
发新话题 回复该主题

简单易做的SHURE-M65唱放與老爺LP12 [复制链接]

查看: 25109|回复: 85
11#

回复:简单易做的M65唱放


check弦乐

这张DECCA大碟,捡查一下弦乐:我的CD系统有难。。。
最后编辑cpyip 最后编辑于 2007-07-01 23:19:18
TOP
12#

回复:简单易做的M65唱放

支持!顶!
TOP
13#

回复:简单易做的M65唱放

期待!
TOP
14#

回复:简单易做的M65唱放


開始在LP12发現的,唱臂為LINN BASIK PLUS,唱头ADIKT按說明書,裝在唱头壳的最后面。我用那把尺量OVERHANG,可看到大過要求約2mm。

我不死心,將臂連头裝回LINN BASIK唱盤,再用那把尺量OVERHANG,結果一樣也是大過2mm(即实际OVERHANG約=20mm,標準應18mm)。

就ADIKT头的说明书,叫使用者装在最后位上(只限LINN臂),目的就是装上去不用作复杂的调校。当唱臂轴心拿对了,实际一切变的很簡单。
我这个BASIK盘是厂开的孔,我用LVV臂比过,应是对的。有可能开的LVV臂的孔,给PLUS臂用,就差一点。就是这么一回事。
LP12又不同情况,唱臂板活动的,那三个固定螺絲,位置差1MM都不行,直接影响到OVERHANG:当三孔位置准确了,全部都对了。
最后编辑cpyip 最后编辑于 2007-07-01 23:31:10
TOP
15#

回复:简单易做的M65唱放

打开内脏看看?
照片 141.jpg (, 下载次数:58)

jpg(2007/7/2 8:13:54 上传)

照片 141.jpg

TOP
16#

回复:简单易做的SHURE-M65唱放

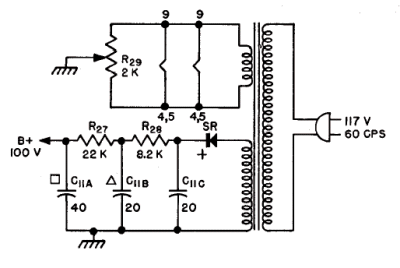
电源部分供参考,灯絲改为LM317。
m65-PS.gif (, 下载次数:48)

原庄线路(2007/7/2 8:21:34 上传)

m65-PS.gif

dynetic-PS.gif (, 下载次数:49)

鬼佬线路(2007/7/2 8:21:34 上传)

dynetic-PS.gif

最后编辑cpyip 最后编辑于 2007-07-02 08:21:33
TOP
17#

回复:简单易做的SHURE-M65唱放

初听用BASIK听,因LP12还未调整好,怕外來因素太多,影响试听。
后才落到LP12试听。调校好时,LP12比BASIK更上一层楼,弦乐之感染力,使我的情绪久久不能平伏,听了想再听的冲动。
我的黑碟都是用过的旧碟,除个别炒豆声多,大部分都很安静(比想像的好了)。
照片 119.jpg (, 下载次数:65)

BASIK+TARGET架(2007/7/2 8:41:13 上传)

照片 119.jpg

照片 140.jpg (, 下载次数:54)

LP12+TARGET架(2007/7/2 8:41:13 上传)

照片 140.jpg

最后编辑cpyip 最后编辑于 2007-07-02 08:41:13
TOP
18#

回复:简单易做的SHURE-M65唱放

请教一下,,,电子管的第1到9脚是如何排列??
我搞不懂哪个脚是第1脚,,哪个脚是第9脚,,谢谢
TOP
19#

回复:简单易做的SHURE-M65唱放

所指为1,反时针为2,,,至9。
9PIN_1.JPG (, 下载次数:40)

jpg(2007/7/2 9:40:53 上传)

9PIN_1.JPG

TOP
20#

回复:简单易做的SHURE-M65唱放

十分感谢谢
TOP
发新话题 回复该主题