发烧论坛

注册

 

返回列表 «23456789» / 14
发新话题 回复该主题

小方的减肥修身特效良方 -不是广告, 是处理低频的心得 [复制链接]

查看: 42480|回复: 135
51#

回复: 小方的减肥修身特效良方 -不是广告, 是处理低频的心得

原帖由 东莞肥仔 于 2008-3-28 20:24:00 发表
但丁神曲,鼓的低频下限并不是很低,大部分都集中在100——300Hz。大提琴去到65Hz,倍大提琴去到41Hz,低音巴松管和土巴号就去到30Hz。


刚才听啦下马六(伯恩斯坦指挥DG),刚一开始右边喇叭后的大提琴群奏,气势非常大,声音都在喇叭后边弥漫,没出现余音跑到座位右边或右后墙~~~~~~~~~看来这个跑出来到低频音是多少HZ不好找啊~~~~
你我所知一样多,若你对自己的无知感到痛苦,让我们一起去拓荒。
TOP
52#

回复: 小方的减肥修身特效良方 -不是广告, 是处理低频的心得

原帖由 但丁神曲 于 2008-3-28 20:01:00 发表
newbjman朋友,也帮我用另外一个比较精准的工具来算算(长5m,宽3.3m,高2.56m;还有我座位右后墙即5m后一半多的位置还有一0.6m深的空间,我是把它搞成啦书架,会不会是那书架下出现的余音? )~~~~~~~
还有,我......


今天下班比较晚,明天周末,帮你来算。
你描述的情况,应该是驻波。
有空请到我的博客聊天。
http://hk.myblog.yahoo.com/chowhwk2002
TOP
53#

回复: 小方的减肥修身特效良方 -不是广告, 是处理低频的心得

原帖由 东莞肥仔 于 2008-3-28 20:31:00 发表
[quote] 原帖由 newbjman 于 2008-3-28 17:46:00 发表
newbjman,这个图示帮我分析下,用RealTraps的哪个产品合适。

东莞肥仔,我帮你用另外一个比较精准的工具来算,看来在55Hz和110Hz 房间的音压最强。......
嗯!过年后我把系统搬到书房后,以前在大厅不需要顾忌的低频驻波问题开始困扰我,好在有一个到顶的书柜帮忙,可以解决部分问题。虽然两侧墙对称的问题解决了,现在新的问题又来了。


如此你要注意应该是55Hz,放一些爵士乐有低音提琴,就跑出来了。。。。
有空请到我的博客聊天。
http://hk.myblog.yahoo.com/chowhwk2002
TOP
54#

回复:小方的减肥修身特效良方 -不是广告, 是处理低频的心得

嘿嘿!您真是“活神仙”;P

事实上譬如:播FIM Audiophile Reference III 第10轨《Blue City》,那几下牛筋,窗户玻璃都嗡嗡声;还有RR那张The HOT CLUB OF SAN FRANCISCO 也是如此。我想不单是55Hz,110Hz、220Hz都会好犀利。急需解决:'(
音响的乐趣,在于演奏。
欢迎到访我的博客http://adam.lee.vip.blog.163.com/
累的时候听着音乐睡一会,闲的时候搞搞音响乐在其中。
TOP
55#

回复:小方的减肥修身特效良方 -不是广告, 是处理低频的心得

愚见是55hz,110hz 将会是处理的焦点。在比较小的空间,摆位也不能改变的话,只有两个办法,尽量少听这种音乐,或是低音处理。
有空请到我的博客聊天。
http://hk.myblog.yahoo.com/chowhwk2002
TOP
56#

回复: 小方的减肥修身特效良方 -不是广告, 是处理低频的心得

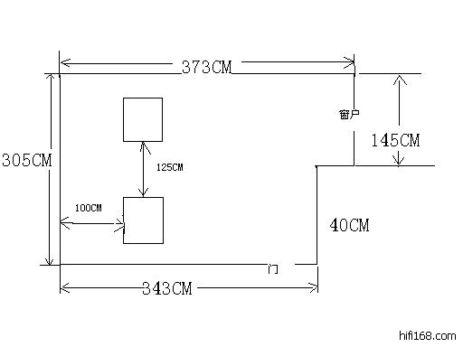
帮忙诊断一下我小听音室的问题
房间铺的是实木地板,加龙骨大概20CM。天花板到地板271CM.其他的信息如图所示。
听起来有点不对劲。
realtraps result.JPG (, 下载次数:70)

jpg(2008/3/29 11:39:29 上传)

realtraps result.JPG

听音室图.JPG (, 下载次数:79)

jpg(2008/3/29 11:39:29 上传)

听音室图.JPG

MarkLevinson N0.31->Benchmark DAC1 USB->Burmester 877 MK2 XLR->MarkLevinson No.23.5->JBL 4344
TOP
57#

回复: 小方的减肥修身特效良方 -不是广告, 是处理低频的心得

原帖由 newbjman 于 2008-3-28 22:11:00 发表
[quote] 原帖由 但丁神曲 于 2008-3-28 20:01:00 发表
newbjman朋友,也帮我用另外一个比较精准的工具来算算(长5m,宽3.3m,高2.56m;还有我座位右后墙即5m后一半多的位置还有一0.6m深的空间,我是把它搞成啦......


但丁神曲,
我的档案中有以前帮你用realtrap 软件算出来的驻波分布图。图中可以看到66Hz 左右应该是问题地区。你描述的低音提琴的问题,大概是这个。
dandinggraphics1.jpg (, 下载次数:59)

jpg(2008/3/29 14:10:33 上传)

dandinggraphics1.jpg

最后编辑newbjman 最后编辑于 2008-03-29 14:13:36
有空请到我的博客聊天。
http://hk.myblog.yahoo.com/chowhwk2002
TOP
58#

回复:小方的减肥修身特效良方 -不是广告, 是处理低频的心得

我用另外的方法来算音压最强的频率,也是得到同一样的结论。
dandingdistribution.jpg (, 下载次数:77)

jpg(2008/3/29 14:15:46 上传)

dandingdistribution.jpg

有空请到我的博客聊天。
http://hk.myblog.yahoo.com/chowhwk2002
TOP
59#

回复: 小方的减肥修身特效良方 -不是广告, 是处理低频的心得

原帖由 dragonboy 于 2008-3-29 11:39:00 发表
帮忙诊断一下我小听音室的问题
房间铺的是实木地板,加龙骨大概20CM。天花板到地板271CM.其他的信息如图所示。
听起来有点不对劲。


龙男孩,
你可能把房间的长高宽放进的时候,米的m 用了大写,软件不能分辨,因此出来的数据和图表示错了。地板下面是否空心 ?20公分是一个颇大的空间。你的JBL 应该是低频充沛,力量十足,是否有点觉得软了点?
也许你描述一下问题之后比较容易引证。
最后编辑newbjman 最后编辑于 2008-03-29 14:23:38
有空请到我的博客聊天。
http://hk.myblog.yahoo.com/chowhwk2002
TOP
60#

回复: 小方的减肥修身特效良方 -不是广告, 是处理低频的心得

果然是M大写,软件不能识别。重新算了一下。
地板的高度刚才问了一下老婆大人,是10公分高,我原来搞错了。下面是空心的。
低频没有那种拳拳到肉的感觉,朦胧,慢。中频不够丰满。
用<My Disc>测试,62HZ/125HZ/250HZ都有较强的谐振。
我在另外一个朋友家听到的感觉不是这样的,器材基本一样,他房间就比我的大2平方米。
123.jpg (, 下载次数:151)

jpg(2008/3/29 17:53:57 上传)

123.jpg

最后编辑dragonboy 最后编辑于 2008-03-29 19:03:49
MarkLevinson N0.31->Benchmark DAC1 USB->Burmester 877 MK2 XLR->MarkLevinson No.23.5->JBL 4344
TOP
发新话题 回复该主题