发烧论坛

注册

 

发新话题 回复该主题

勤动手,乐趣多多------- 一台6P3P(6L6)推挽胆机diy制作 [复制链接]

查看: 12075|回复: 37
1#
由于整机在制作前已搭电路调试及听音校正,元器件参数值准确无误,所以成型之后的正式制作显得非常简单,我是以玩的心态来折腾的,因为人不能太闲着,勤动手可预防衰老。
1.jpg (, 下载次数:0)

jpg(2014/4/14 18:57:26 上传)

1.jpg

最后编辑杨维中 最后编辑于 2014-04-14 19:11:24
分享 转发
TOP
2#

整机的结构安装是第一步,喇叭接线柱的两个接地端子应选用黑色的,手头上暂没有,以后再换吧。
2.jpg (, 下载次数:0)

jpg(2014/4/14 19:03:49 上传)

2.jpg

3.jpg (, 下载次数:0)

jpg(2014/4/14 19:03:49 上传)

3.jpg

TOP
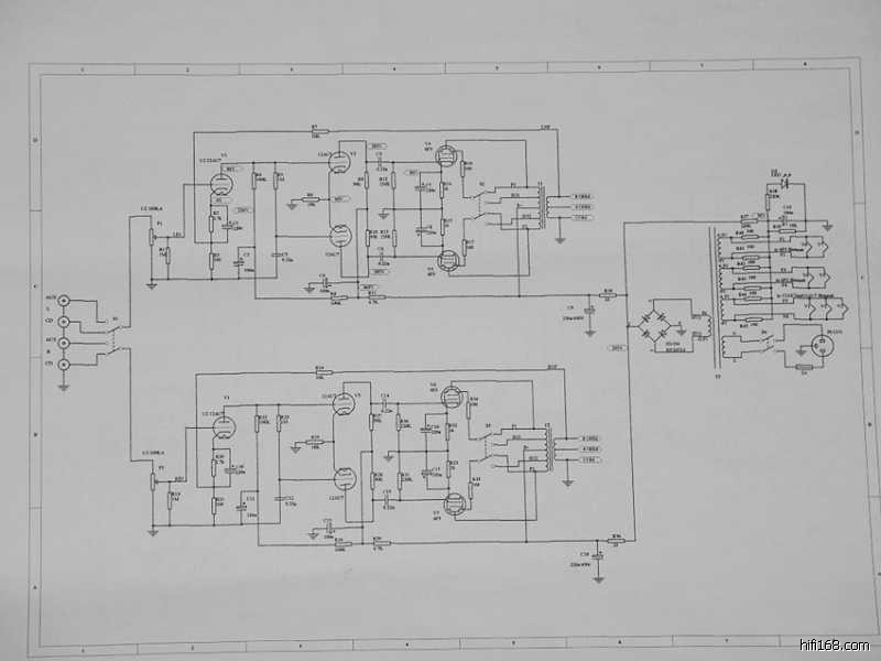
3#

电路很简单,12AU7电压放大+12AU7倒相及推动+6P3P(6L6)功率放大,全交流灯丝供电+全桥式整流滤波屏高压,三极管接法/超线性接法两用,PCB双面印板固定器件。
4.jpg (, 下载次数:0)

jpg(2014/4/14 19:07:55 上传)

4.jpg

5.jpg (, 下载次数:0)

jpg(2014/4/14 19:07:55 上传)

5.jpg

TOP
4#

!!!!!!!!
6.jpg (, 下载次数:0)

jpg(2014/4/14 19:09:33 上传)

6.jpg

TOP
5#

焊接印板器件,一张椅子的空间就够了,武汉的冬天很冷,依煨着电取暖器边做边玩还是很温馨的。
7.jpg (, 下载次数:0)

jpg(2014/4/14 19:15:02 上传)

7.jpg

8.jpg (, 下载次数:0)

jpg(2014/4/14 19:15:02 上传)

8.jpg

TOP
6#

焊接四只6P3P阴极电阻时,一定令其悬空,以利于机器工作时电阻散热及避免烘烤印板。
9.jpg (, 下载次数:0)

jpg(2014/4/14 19:27:12 上传)

9.jpg

TOP
7#

阻容器件焊接前先测量一下为妥。
10.jpg (, 下载次数:0)

jpg(2014/4/14 19:30:59 上传)

10.jpg

11.jpg (, 下载次数:0)

jpg(2014/4/14 19:30:59 上传)

11.jpg

TOP
8#

电阻的焊接,应预先用万用表检测阻值是否相符合,然后再逐一对号入座,如此将所有电阻插入焊孔之后再翻转印板作一次性焊接。
12.jpg (, 下载次数:0)

jpg(2014/4/14 19:34:31 上传)

12.jpg

13.jpg (, 下载次数:0)

jpg(2014/4/14 19:34:31 上传)

13.jpg

TOP
9#

杨老师是自己设计线路后再去定的板吗
TOP
10#

确认焊点无虚焊之后再用斜口钳剪枝修整整齐...
14.jpg (, 下载次数:0)

jpg(2014/4/14 19:37:33 上传)

14.jpg

15.jpg (, 下载次数:0)

jpg(2014/4/14 19:37:33 上传)

15.jpg

TOP
发新话题 回复该主题