发烧论坛

注册

 

返回列表 «345678910» / 41
发新话题 回复该主题

我的新玩具柏韵pureaudio PA-10胆唱放(巡回试听活动请见29页,... [复制链接]

查看: 135894|回复: 407
61#

这唱放颇为养眼啊。期待更多的听感介绍……
最愛奚秀蘭並因奚秀蘭而發燒
我發表的以奚秀蘭爲主題的重要帖子的鏈結:http://post.baidu.com/f?kw=%DE%C9%D0%E3%C0%BC
TOP
62#

原帖由 君心可晴 于 2012-5-4 17:23:00 发表
很幸运 整机没有麦克风效应 管子做了比较充足的屏蔽 手机靠近也不大有强烈干扰


這機器養眼!
TOP
63#

看了那么久,我还是建议厂家最好能做成单独MM或MC的唱放,最好像电脑一样,能换块电路板就实现MM或MC功能的转换升级,简化唱放,使更多不同阶层的人都能分享厂家的科研成果,能以更实惠的价格购买到商家的产品,播放出高级唱放达到的效果,带给广大黑胶发烧友更多的音乐享受。
      以我观察,刚入门玩黑胶的,玩MM头,唱头通常是SHURE 97SE之类,连盘带头也不到万元,选购贵司MM/MC合一的唱放的概率很低。中烧和理性高烧,一个中级盘和唱臂过万元很正常,再加上MC头,一手全新起码3000多起步。单臂或双臂多是玩不同的MC头,选购MM/MC合一的唱放,基本MM部分是闲置。因此建议还是单独分别出MM/MC的唱放,这样体积也小些。玩MM阶段的烧友对电源一般重视不够。玩MC的一般已开始重视电源的重要性,因此产品也可分开档次。MC的可以建议设4千到5千元一档,另一档在1万左右,再高档的,用极品原件,线材,古董胆,只一两件样品,只接受订做。卖几万只供富豪级,专业人士或高烧使用。
最后编辑shotchen 最后编辑于 2012-05-05 07:29:45
TOP
64#

如黑的弟兄越多 此帖的关注度越高
发烧新兵,CD尚未玩好,又开始折腾LP
TOP
65#

回复 63# shotchen 的帖子

多谢 Shotchen的好提议,以后有机会可以考虑一下!

目前我们也是以定做为主!
TOP
66#

只接受订做。卖几万只供富豪级,专业人士或高烧使用。

这个主意不错
烧银纸 没益处  不要发烧
TOP
67#

楼上的讲法比较特别.你看看柏韵的市场定位是不是只供富豪级,专业人士和高烧使用,我看还是面向我们大众烧友吧.
TOP
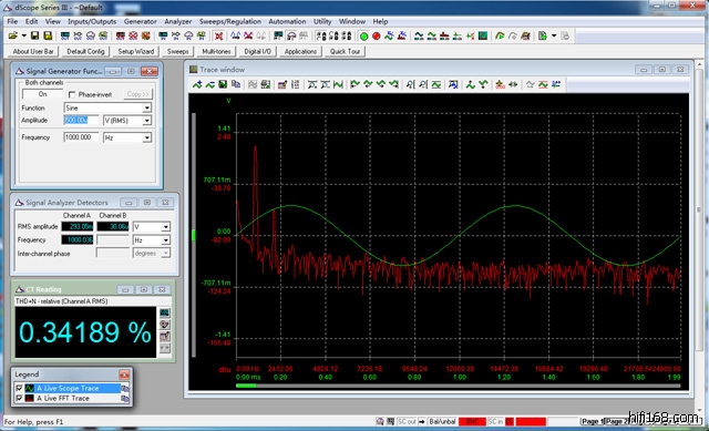
68#

上几张产品开发时,用10万级的 Prismsound DS3 音频分析仪测量的图片:

音频分析仪:






噪声图:




失真图:


TOP
69#

好啊,做音响这玩意首先是要理性,然后才能感性,但把握理性和感性的度掌握得好的才是高手~~~
音乐与生活

TOP
70#

严重同意!数据代表严谨,调声代表艺术
TOP
发新话题 回复该主题