发烧论坛

注册

 

发新话题 回复该主题

有请焊机派高手帮忙解决音色过亮的问题 [复制链接]

查看: 1736|回复: 0
1#
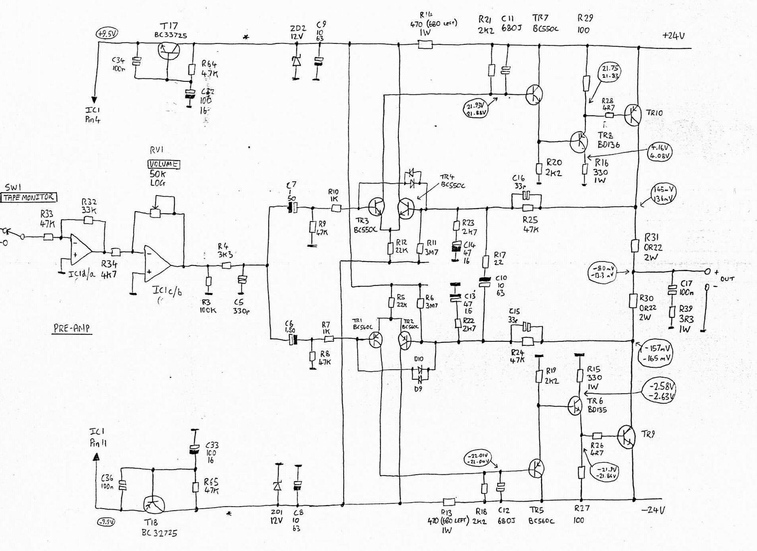
最近仿了音乐传真A1的电路,遇到颇为棘手的问题。做出来的功放声音偏亮。经过一番折腾,发现更换各种小电容声音有变化,调整工作点声音也有变化。一开始声音偏亮,而且女声不够尖细,听钢琴的的声音,总觉得高音跳不上去,不够尖。
结果试了好多电容,输入端的330P电容,品种包括:独石330P,云母330P ,EVOX330P,WIMA330P,日产聚苯乙烯330P,国产涤纶330P.
680P的消振电容,品种包括:独石680P,云母680P,EVOX680P ,日产聚苯乙烯330P,瓷片680P,
输出端的菇贝尔0.1U电容,品种包括: WIMA MKP10  0.1U , RIFA  PHE840M  0.1U   , ERO MKP1845 0.1U , ERO MKT 1813 0.1U , ERO MKP1841 0.15U, 无名独石 0.1U ,瓷片0.1U ,西门子MKP 0.1U,
一个牌子一种声音!最后发现一直被当垃圾的瓷片声音很柔顺。蓝色EVOX很好看,但是声音最难听,
最后330P使用瓷片,680P用独石,0.1U用独石总算解决了女声不够尖的问题。

但是总的问题声音偏亮,差分输入A970/C2240调大一倍电流到1毫安,推动A1930/C5171调整到一倍24毫安,输出A1943/C5200由700毫安调整到980毫安,无果!
何人有良方?
A2.jpg (, 下载次数:26)

jpg(2007/10/7 22:08:39 上传)

A2.jpg

分享 转发
TOP
发新话题 回复该主题