发烧论坛

注册

 

发新话题 回复该主题

Rottenmann灵敏三周年纪念版M6-LD音箱给各位拜早年! [复制链接]

查看: 11325|回复: 19
11#

原帖由 shotchen 于 2015-2-4 10:30:00 发表
看来李大侠是要降低半有源箱的门坎,让更多烧友体会它的独特魅力!


知灵敏者大状也!

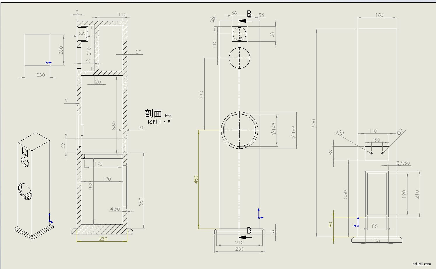
M6-LD半有源音箱是密闭箱

每只音箱的低音用上200W主动伺服功放~

仔细尺寸入下图,供各位感兴趣的网友参考~



音箱高:96.50厘米

音箱宽:18厘米

音箱深:23厘米

TOP
12#

回复 3# 镏金岁月 的帖子

谢谢镏金岁月兄的欣赏!
TOP
13#

回复 5# luyusheng 的帖子

谢谢luyusheng兄的力挺!
TOP
14#

原帖由 reedliao 于 2015-2-5 14:50:00 发表
已经购入M8-LD两个月,用中低端胆机推,目前也十分满意!李兄十分健谈,很实际的广州人。


各位玩家的满意,是我们灵敏音响工作室一直的追求!

十分感谢!
TOP
15#

原帖由 残剑831 于 2015-2-8 18:15:00 发表
将来再去广州时有机会去听听灵敏的箱子。


残剑831 兄,欢迎至极!

路过广州请过来灵敏听听~~交流~~
TOP
16#

原帖由 winsonng 于 2015-2-11 21:58:00 发表
便宜又大碗!这个价格居然能入手半有源?还是落地?狠!


没错!就是狠!
TOP
17#

回复 1# 灵敏音响工作室 的帖子

又几靓仔啵
最后编辑度善 最后编辑于 2015-03-02 15:51:13
TOP
18#

好箱子!
TOP
19#

好 有时间去听听
TOP
20#

尺寸非常适合小面积的家庭使用啊!
TOP
发新话题 回复该主题