

一家出口代工企业复刻的LS35A音箱,听了一下,单元素质不错,低音喇叭是聚丙烯盆背后涂阻尼胶,应该是给国外客户代工学来的做法,箱体为夹板,而不是现在很多复刻版的密度板或者实木,夹板的共振和阻尼特性,是做箱体的最佳材料之一,一些英国箱子最喜欢用薄壁夹板做音箱,是一种很高明的做法,利用得当,可以带来乐器般的谐振效果。
但是声音可说很差劲,频响都做不平,不过喇叭和箱体让我感觉有不小的打磨潜力。
经过打磨声音能否改头换面,还是个未知数。
如果改到我满意,可推出来,搭配小甲组成一套性价比很高的小系统。


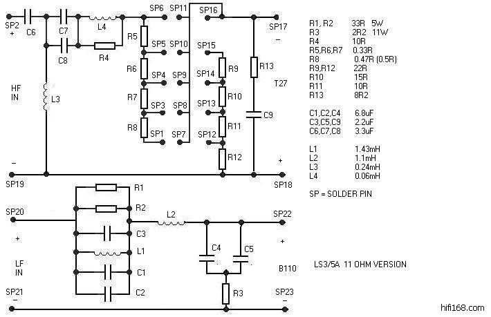
11欧LS35A的分频电路,这个分频电路真是天才设计,低音串联的LRC电路补偿了低音单元从中低频段起的相位失真,高低音喇叭在分频区域的衔接,相位误差也非常小。
但是既然复刻的喇叭不可能和原版一样,分频元件的数值一样要根据喇叭特性调整。