发烧论坛

注册

 

发新话题 回复该主题

胆机DIY作者请进来指教 [复制链接]

查看: 5294|回复: 16
11#

用DESEN消磁碟处理了一下,各种表现好些,但最重要的一个方面---活生感不行了。

没有两全之法?
TOP
12#

原帖由 yavis 于 2012-12-29 15:47:00 发表
我有古董摩罗利和RIFA灯丝电容,试试?

你的10个电容,换成耐压大容量小的电容不OK吗?
我的4个电容,耐压80v8200u,我也在考虑是不是换成耐压高容量低的。
TOP
13#

一个疑惑,此地本就可以只用一个耐压高容量低的电容,厂家为什么扯求淡的用多个高容量电容?
我不懂,请告诉我他们不是扯求淡。
TOP
14#

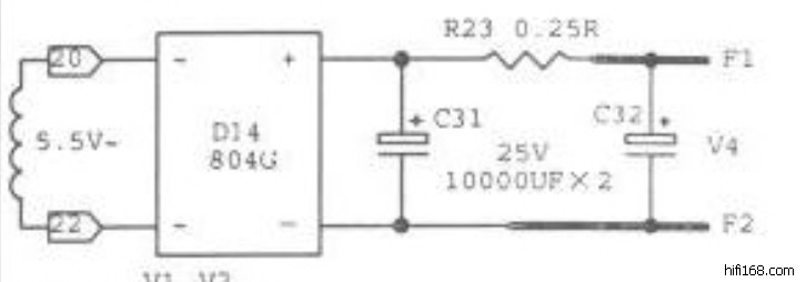
电路一同电路二是不是等效电路?

不得了,看见一个电容直径75毫米长度145毫米,太巨大了哦。
最后编辑kick 最后编辑于 2013-01-01 19:12:27
TOP
15#

不如阴极电阻大

有变化,但不大。
TOP
16#

原帖由 Real 于 2012-12-31 12:09:00 发表
不用是最好声的,交流灯丝

举双手同意!!!
TOP
17#

交流灯丝,操作起来较为麻烦。
好像灯丝中点要加个-30v电压。
TOP
发新话题 回复该主题