房间宽度不够,想做低频陷阱,原来的房间就是低频混,这次一定要加以改善!
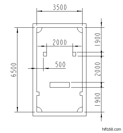
箱子间距2米后,每边只能留0.5多点了!
如果墙角做50*50扇形低频陷阱后,只要略微调整箱子内倾角,气流就是直接砸中低频陷阱
又担心低频没劲,感觉和喇叭后墙要硬原则冲突也!~!
比较宽度只有3.5
附上房屋结构图


恳请大虾指点~~~
本人对建筑声学没什么研究,只有个大概印象,也不指望一步到位,打算做加法!
关注房屋处理方面的帖子很久了,感觉这方面内容相当的贫瘠!
目前的打算
四角低频陷阱。。。
前硬——————喇叭后墙文化石贴面。。。
中吸——————两侧墙(第一反射点在中间的左右区域)各2米宽2.44高吸音槽板内填充聚酯纤维棉花
后扩散——————木匠打制书架柜子cd碟柜,厚窗帘褶皱
天花板——————,天花板栅格吊顶,不想破坏3.15的高度~~~~格子不知道要多大多深。蛋疼。。。呵呵
大虾们,神仙们,请指导一下。不甚感谢~~~
上个计划摆位图