发烧论坛

注册

 

返回列表 «1819202122232425» / 32
发新话题 回复该主题

终于又回归300B-我的TAD2402之300B全胆篇 [复制链接]

查看: 99453|回复: 310
211#

呵呵.
TOP
212#

吴大师正在认真进行胆机研究。
DSC_0036.JPG (, 下载次数:0)

jpg(2010/4/15 8:05:23 上传)

DSC_0036.JPG

DSC_0037.JPG (, 下载次数:0)

jpg(2010/4/15 8:05:23 上传)

DSC_0037.JPG

DSC_0040.JPG (, 下载次数:0)

jpg(2010/4/15 8:05:23 上传)

DSC_0040.JPG

DSC_0039.JPG (, 下载次数:0)

jpg(2010/4/15 8:05:23 上传)

DSC_0039.JPG

DSC_0038.JPG (, 下载次数:0)

jpg(2010/4/15 8:05:23 上传)

DSC_0038.JPG

TOP
213#

吴兄,换6922也非常明显,你试试看哪一品牌最为合适??
TOP GUN Audio  fans !
TOP
214#

原帖由 食古轩主 于 2010-4-15 9:54:00 发表
吴兄,换6922也非常明显,你试试看哪一品牌最为合适??

回古兄,手头上有西门子E88CC和西门子的CCA,到了周末会都换上比较一下声音的变化。
TOP
215#

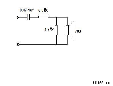
关于超高的调整,前天和韶关的无胆前辈进行了交流,按照无胆前辈的观点,由于ET-703的灵敏度为107DB,而TAD2402只有95DB,如果不想办法将超高的效率衰减,很难将超高与主箱的衔接和平衡搞好。而一般的电位器并没有分压衰减的功能,即使装在超高上可以调整其声压输出,对声音只会劣化,却不会有根本的改善。比较科学的方法应该是通过分压电阻将超高的效率衰减下来,再通过调整分频电容的容量和确定最适合的主箱和超高的分频点。
下面是无胆前辈提供给我的ET-703超高分频电路图。
ET703电阻线路图.JPG (, 下载次数:0)

jpg(2010/4/15 11:08:05 上传)

ET703电阻线路图.JPG

最后编辑wm711130 最后编辑于 2010-04-15 11:09:05
TOP
216#

从图中可以看出,需要在ET-703线路上加上两个电阻(上正下负):
1。在分频电容和超高正极之间串联一个6。8欧,2W的电阻。
2。在超高正负极之间并联一个4。7欧,2W的电阻。
电阻连接好之后,再调整分频电容,可以在0。47到1UF之间选择,结合听感,确定最合适的分频电容和超高分频点。
TOP
217#

后面的工作就是按图索骥,周二到本地的电子市场采购了0。68和0。47的金属膜和绕线电阻各两对。因为据无胆前辈自己使用的经验(他的系统是JBL HARTSFIELD+075高音头,单端300B推),金属膜和绕线电阻结合使用效果最好。
上面一张图中是4。7的绕线和6。8的金属膜电阻。
P1000607 ii.JPG (, 下载次数:0)

jpg(2010/4/15 11:19:18 上传)

P1000607 ii.JPG

P1000608 ii.JPG (, 下载次数:0)

jpg(2010/4/15 11:19:18 上传)

P1000608 ii.JPG

TOP
218#

超高上连接的是4。7的金属膜和6。8的绕线电阻。
四种不同的分频电容(包括超高上的0。47),分别为0。1,0。22,0。47和0。68UF,连接在超高上可以实现不同的分频点。
P1000587 ii.JPG (, 下载次数:0)

jpg(2010/4/15 11:28:56 上传)

P1000587 ii.JPG

P1000590 ii.JPG (, 下载次数:0)

jpg(2010/4/15 11:28:56 上传)

P1000590 ii.JPG

P1000601 ii.JPG (, 下载次数:0)

jpg(2010/4/15 11:28:56 上传)

P1000601 ii.JPG

P1000604 ii.JPG (, 下载次数:0)

jpg(2010/4/15 11:28:56 上传)

P1000604 ii.JPG

TOP
219#

TAD2402和ET-703超高连接的前后图。
P1000630 ii.JPG (, 下载次数:0)

jpg(2010/4/15 11:32:59 上传)

P1000630 ii.JPG

P1000631 ii.JPG (, 下载次数:0)

jpg(2010/4/15 11:32:59 上传)

P1000631 ii.JPG

P1000632 ii.JPG (, 下载次数:0)

jpg(2010/4/15 11:32:59 上传)

P1000632 ii.JPG

P1000633 ii.JPG (, 下载次数:0)

jpg(2010/4/15 11:32:59 上传)

P1000633 ii.JPG

P1000634 ii.JPG (, 下载次数:0)

jpg(2010/4/15 11:32:59 上传)

P1000634 ii.JPG

TOP
220#

吴大师在换管,安德森现场指导.
2010_04140042.JPG (, 下载次数:0)

jpg(2010/4/15 11:46:14 上传)

2010_04140042.JPG

2010_04140043.JPG (, 下载次数:0)

jpg(2010/4/15 11:46:14 上传)

2010_04140043.JPG

2010_04140044.JPG (, 下载次数:0)

jpg(2010/4/15 11:46:14 上传)

2010_04140044.JPG

TOP
发新话题 回复该主题