发烧论坛

注册

 

发新话题 回复该主题

LINN LK1D前级 [复制链接]

查看: 1607|回复: 2
1#
代友出LINN LK1D前级,成色9成,无任何划伤。无电源,电源为DIRAK,输出为双18V,可以自己制作一台或者使用电池供电。
前级带6组输入2组输出,mm和mc都有。原装包装箱,带2跟信号线。2500圆,有意者请联系13817715651,李先生。
linn lk1.jpg (, 下载次数:6)

正面(2009/5/20 22:09:58 上传)

linn lk1.jpg

fff1_1.jpg (, 下载次数:2)

背面(2009/5/20 22:09:58 上传)

fff1_1.jpg

无标题.JPG (, 下载次数:5)

原包装(2009/5/20 22:09:58 上传)

无标题.JPG

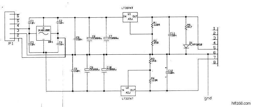
dirak.JPG (, 下载次数:6)

电源电路(2009/5/20 22:09:58 上传)

dirak.JPG

分享 转发
TOP
2#

可惜了    好像没有遥控器喔
TOP
3#

朋友,你的联系电话是别人的电话,有意你的前级,与我联系18907550369
TOP
发新话题 回复该主题