发烧论坛

注册

 

发新话题 回复该主题

请教隔离牛如何接 [复制链接]

查看: 14855|回复: 72
21#

回复: 请教隔离牛如何接

原帖由 sprs 于 2008-7-29 14:58:00 发表
原帖由 szlghyj 于 2008-7-29 14:48:00 发表
看清楚!2.4只能接20V!  


是啊



哈哈!老糊涂了!!
最后编辑松香味 最后编辑于 2008-07-29 18:37:16
对于音响器材来说:绝对“理想的、忠实地还原”是没有的,也是做不到的;我们只是在朝着“音响器材各自应该具备的基本性能”方面尽量努力,使其各尽其责而已。目的就是尽可能地做到“理想的、忠实地还原”。
TOP
22#

回复: 请教隔离牛如何接

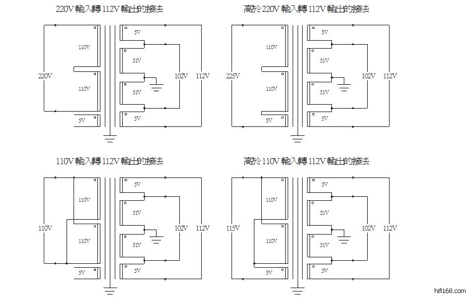
可以参考一下这个图,大概原理是一样的,有很多接法的。
Aerofoam 吸声海绵 可代替3m Thinsulate 新雪丽,美国Auralex
taobao:http://micro-new.taobao.com/
weibo:http://weibo.com/asdffx
TOP
23#

回复: 请教隔离牛如何接

原帖由 szlghyj 于 2008-7-29 13:33:00 发表
兄弟你是真不懂还是假不懂?把10.11的跳线拿走,9和10.11和12就能得到两组独立的117V了

谢szlghyj 兄:偶是真不懂啊 刚才拿走跳线 几组反复重新量了几次 输入电压230V 输出方:9+11无电压 10+12也无电压 
由于电压不断升高 输出也有点变动9+10和12=120V 另一组11+10和12=121V
 正常电压下打算这样接9+10=117V 另一组11+12=117V

如果您只想永远做个雇工, 下班的汽笛可以让您停下手中的工作, 如果您想开创一番事业, 那汽笛仅仅是您重新思考的信号.
------亚靈
TOP
24#

回复: 请教隔离牛如何接

原帖由 松香味 于 2008-7-29 14:42:00 发表
[quote] 原帖由 szlghyj 于 2008-7-29 13:14:00 发表
[quote] 原帖由 松香味 于 2008-7-29 11:51:00 发表
B(输入电压正常为220V时):2接“地”,4接“火”;

A(输出):10、11短接。9、10之间和11、12之间(输出)大约115V电压,而9、1

 谢松兄!等偶量下先
如果您只想永远做个雇工, 下班的汽笛可以让您停下手中的工作, 如果您想开创一番事业, 那汽笛仅仅是您重新思考的信号.
------亚靈
TOP
25#

回复: 请教隔离牛如何接

原帖由 asdffx 于 2008-7-29 18:28:00 发表
可以参考一下这个图,大概原理是一样的,有很多接法的。
[attachimg]97344[/attachimg]


多谢楼上的几位兄弟 等下偶细量了再回复
如果您只想永远做个雇工, 下班的汽笛可以让您停下手中的工作, 如果您想开创一番事业, 那汽笛仅仅是您重新思考的信号.
------亚靈
TOP
26#

回复: 请教隔离牛如何接

原帖由 GL牛魔王 于 2008-7-29 9:02:00 发表
上个清晰图 [attachimg]97218[/attachimg]


B(输入电压正常为220V时):4、5短接,1接“地”,8接“火”;
A(输出):10、11短接。9、10之间和11、12之间(输出)大约110V电压,而9、12之间(输出)可获得大约220V电压。
如果只使用110V电压电源,还可以将9与11、10与12短接(并联),这时9、10之间输出为110V电压,但电源内阻降低。


不好意思,老糊涂了,看图都理解错了,特此纠正。
最后编辑松香味 最后编辑于 2008-07-29 20:02:56
对于音响器材来说:绝对“理想的、忠实地还原”是没有的,也是做不到的;我们只是在朝着“音响器材各自应该具备的基本性能”方面尽量努力,使其各尽其责而已。目的就是尽可能地做到“理想的、忠实地还原”。
TOP
27#

回复: 请教隔离牛如何接

原帖由 GL牛魔王 于 2008-7-29 18:35:00 发表
[quote] 原帖由 松香味 于 2008-7-29 14:42:00 发表
[quote] 原帖由 szlghyj 于 2008-7-29 13:14:00 发表
[quote] 原帖由 松香味 于 2008-7-29 11:51:00 发表
B(输入电压正常为220V时):2接“地”,4接“火”;
[size=4


不要量了,有危险!!!!
对于音响器材来说:绝对“理想的、忠实地还原”是没有的,也是做不到的;我们只是在朝着“音响器材各自应该具备的基本性能”方面尽量努力,使其各尽其责而已。目的就是尽可能地做到“理想的、忠实地还原”。
TOP
28#

回复: 请教隔离牛如何接

szlghyj 兄是对的!是我看图理解错误。
对于音响器材来说:绝对“理想的、忠实地还原”是没有的,也是做不到的;我们只是在朝着“音响器材各自应该具备的基本性能”方面尽量努力,使其各尽其责而已。目的就是尽可能地做到“理想的、忠实地还原”。
TOP
29#

回复: 请教隔离牛如何接

原帖由 松香味 于 2008-7-29 18:50:00 发表
[quote] 原帖由 GL牛魔王 于 2008-7-29 18:35:00 发表
[quote] 原帖由 松香味 于 2008-7-29 14:42:00 发表
[quote] 原帖由 szlghyj 于 2008-7-29 13:14:00 发表
[quote] 原帖由 松香味 于 2008-7-29 11:51:00 发表
[s

松兄过谦了 谢谢指点和忠告!
如果您只想永远做个雇工, 下班的汽笛可以让您停下手中的工作, 如果您想开创一番事业, 那汽笛仅仅是您重新思考的信号.
------亚靈
TOP
30#

回复: 请教隔离牛如何接

原帖由 szlghyj 于 2008-7-29 13:33:00 发表
兄弟你是真不懂还是假不懂?把10.11的跳线拿走,9和10.11和12就能得到两组独立的117V了

谢szlghyj 兄!经仔细测量 得到的结果完全正确!!!再次表示感谢!
如果您只想永远做个雇工, 下班的汽笛可以让您停下手中的工作, 如果您想开创一番事业, 那汽笛仅仅是您重新思考的信号.
------亚靈
TOP
发新话题 回复该主题