发烧论坛

注册

 

发新话题 回复该主题

作了个MC唱放来玩. [复制链接]

查看: 2447|回复: 3
1#
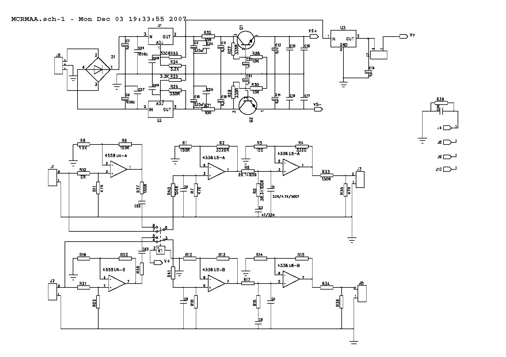
高放大倍数,信噪比肯定很难搞.首要是电源.采用三端稳压后有源滤波供电,采用分体式供电.
唱放部分采用衰减式RIAA网络.
原本想内置电源的,失败了,分体电源后信噪比极高[s:2]
声音不错,有得爽了.
MCRMAA.jpg (, 下载次数:101)

jpg(2007/12/3 19:42:13 上传)

MCRMAA.jpg

IMG_8321.jpg (, 下载次数:61)

jpg(2007/12/3 19:42:13 上传)

IMG_8321.jpg

IMG_8318.jpg (, 下载次数:43)

jpg(2007/12/3 19:42:13 上传)

IMG_8318.jpg

IMG_8314.jpg (, 下载次数:68)

jpg(2007/12/3 19:42:13 上传)

IMG_8314.jpg

分享 转发
www.yulongaudio.com
TOP
2#

回复: 作了个MC唱放来玩.

LZ何不搞个套装来售,让我等也爽一爽。
TOP
3#

回复:作了个MC唱放来玩.

;P 自已玩可以不惜工本的去做,做出来卖不划算了,市面上千元左右可选的唱放太多啦.DIY的东西如果价格低不下来,哪能和人家品牌的相竟争
www.yulongaudio.com
TOP
4#

回复: 作了个MC唱放来玩.

原帖由 .小龙 于 2007-12-3 23:44:00 发表
;P 自已玩可以不惜工本的去做,做出来卖不划算了,市面上千元左右可选的唱放太多啦.DIY的东西如果价格低不下来,哪能和人家品牌的相竟争


自己玩才没有压力,才开心。开心往往钱难买…………
对于音响器材来说:绝对“理想的、忠实地还原”是没有的,也是做不到的;我们只是在朝着“音响器材各自应该具备的基本性能”方面尽量努力,使其各尽其责而已。目的就是尽可能地做到“理想的、忠实地还原”。
TOP
发新话题 回复该主题